click me!

30mm f/0.95 and 130mm f/1.15 Dual FOV Lenses for LWIR Thermal Camera

Code: 304-001

联系我们  

Optical Parameters:

Focal Length 30mm/130mm Calculated Average Transmission >84%
F/# 0.95/1.15 Operating Temperature Range -40℃ to +60℃
Operating Wavelength Range 8μm to 12μm Minimum Focus Range 1m /10m
Coating on Front Surface Exposing to Air DLC Distortion (Diagonal FOV) <5%

 

Mechanical Specifications:

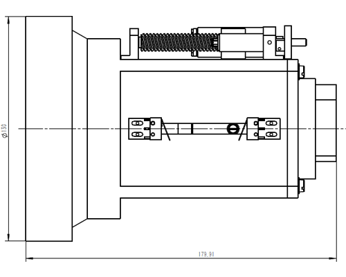
Focusing Mechanism Motorized Installation Way Flange
Weight / Flange Focal Distance 20mm
Materials of Lens Housing Anodized aluminium Connector Refer to drawing
Max. Dimensions   (Diameter x Length) ɸ130x180 Sealing Grade IP67

 

Electronics:

Zoom, Focus Mechanism DC gear motor control Zoom, Focus Position Feedback Potentiometer
Zoom, Focus Driving Voltage 12V DC
  

FOV-Sensor Size:

FOV(H X V) 384x288 640x480
12μm    
17μm 24.6° /28° 35.5°/4.1°
25μm  
30mm/130mm
L-DF-30F0.95-130F1.15DualFOV
0.95/1.15
Motorized
Enquire
7-8 weeks